低溫設備專業廠家,解決您的深冷問題
 
           
           
           
           
           
           
           
           
           
           
           
           
     
     
     
     
     
     
     
     
     
     
     
    快速解決您的深冷難題
 
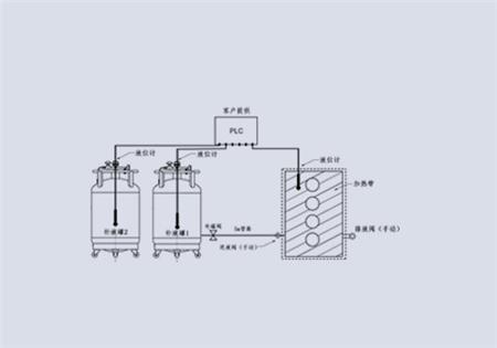
          客戶需求與系統定制設計:1、補液液氮罐:需要500升a. 補液液氮罐需要每次補液為自動監控
 
          液氮罐監控系統可以擴展相關功能設計用于客戶應用不同的用途例如使用自增壓液氮罐,儲存型液氮罐
 
          為了滿足客戶對不同用途場所的需求,液氮低溫處理系統可以根據客戶需求進行配置。其中的配置功能
 
          設計原則與材料選擇在設計低溫液氮管路時,幾個關鍵原則需要被嚴格遵循以確保系統的可靠性和安全
關于我們公司新聞
 
       查看更多
查看更多 
         
            液氮充裝是生物醫藥、冷鏈物流、科研實驗等領域的關鍵環節,而充裝方式的選擇直接影響操作效率、安全性和成
 
            液氮自動補液系統的搭建需要多個關鍵設備,包括液氮儲罐、液體泵、管道與接頭、溫度控制器、壓力傳感器以及